I2C Slave 4x2 LED Display
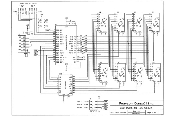
LED Slave Schematic
Tn1View - LED Slave Schematic Tn2View - LED Slave Layout Tn3View - LED Slave Assembled
Name: LED Display I2C Slave Board
CPU: ATmega88A
Status: In Work.
Summary: The LED Display Slave is a simple two line four digit LED display to provide numerical and limited alpha display for applications that could use a local display.

Specifications 8 MHz CPU, two lines of four 0.56 LED 7-segment displays.
Dimensions: 3.8" x 2.5"
Power: 3 - 5 VDC from I2C bus
Software Project folder
Schematics LED Display Slave schematic

Description

The LED Display Slaved is designed to show the flexibility provided by using I2C to connect periferals to a project.
It uses an ATmega88/328 chip with a ULN2803 driver to drive 0.56" LED 7 segment displays configure into two groups of 4.
Power is supplied through the I2C bus and is a max of 40ma with 5v.
There are jumper to control the use of the I2C terminators.

Features