Tank Bot Bare Project
TankBotBare Schematic
Tn1View - TankBotBare Schematic pg1 Tn2View - TankBotBare Assembled Tn3View - TankBotBare Assembled Front Tn4View - TankBotBare Assembled Side Tn5View - TankBotBare Assembled Top Tn5View - TankBotBare Arduino Uno+Emote Tn5View - TankBotBare BeagleBoardBlack
Name: Tank Bot Bare
CPU: ATmega164P
Status: In Work.
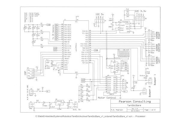
Summary: The Tank Bot Bare board is a general purpose DC brush motor mobile platform control board with sonar and IR distance sensors.
It is ment to be an I2C Slave to a master control board.

Specifications
Dimensions: 4.3" x 4.0"
Power: 9 VDC for CPU and sensors
4.5 to 14.5 VDC for motors
Software TankBotBare2Project

Description

The TankBotBare (TBB) board is designed to be a I2C Slave to a master controller such as a BeagleBone Black or Arduino controller.
The TBB provides basic motor and sensor interfaces for a mobile robot to allow the master controller to preform higher level tasks like navigation and object avoidance.

Pictures show an assembled TBB using an Arduino Uno+Emote module on an old RC car chassis. Others show the TBB with a Raspberry Pi mounted and one with a Beagle Board Black mounted. All use I2C to communicate with the TBB.

Features

The TBB uses a 7-12v DC (9v DC typical) external supply for processor power.
The on-board regulator provides +5v DC for the master control board.
An external Vbatt input is used to power the motors or servos. This can be from 4.5 to 13.5v DC.

The board planned to be available as a kit without sensors. All parts are through-hole except for the 5 to 3.3v I2C signal convertor chip which is only available in a surface mount package.

The TB6612 Motor Control module can be replaced with a RC Adapter board to allow two external Servo channels to be monitored and echoed through the system or controlled by the AI code.
The other three 3pin connectors are general I/O.
ALL six PWM outputs are available plus the INT1 line.

The EEPROM can be replaced with an I2C Adapter board to provide another access point to the I2C bus.
The board could contain Audio or Display or other devices.

3.3v to 5v I2C signal translator for interface with BeagleBoardBlack and Arduino boards.

Uses Timer1 PWM pins for DC or Servo PWM control.